三年大片大全免费观看大全,三年经典大片合集,三年免费观看完整版,三年大片大全观看免费,三年成都中文在线观看免费版,三年在线观看中文免费观看

女人花MV视频,天美麻花星空免费观看电视1,年轻的妈妈2

產品目錄
聯系報價
緊急熱線
聯系銷售
服務與解決方案
翼凱機械為耐磨材料解決方案專家。我們竭誠為您產線提供一站式耐磨材料解決方案服務和科學解決方案,同時為您節省成本以及精力。向您提供專業的解決方案是我們的強項。上海翼凱機械設備有限公司積極帶給您國內外的材料技術解決方案,同時還為您提供專業的技術指導以及支持服務。
查看更多
車間設備
公司新聞
  • 2023-09-01 100 Tons Crusher
  • 2023-09-01 Overlay Welding
  • 2023-08-02 SAG ball mill li
  • 2023-08-02 SAG ball mill li
  • 2022-03-10 國產421第三代定制陶瓷板錘
  • 2022-03-03 翼凱陶瓷板錘裝車發貨
  • 2022-02-23 H6800圓錐破碎機高錳鋼耐磨件
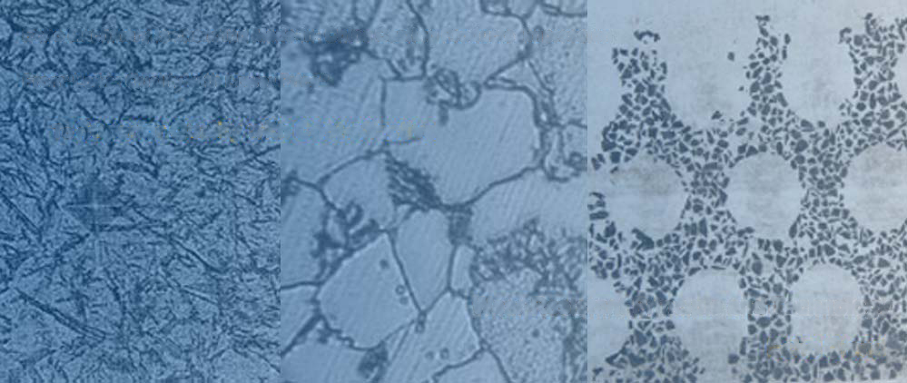
質量控制
查看更多>>
我們嚴肅認真對待產品質量!翼凱機械質量控制體系控制產品原材料,化成成份,尺寸精度,金相組織,產品內部以及表面質量等。產品的質檢標準嚴格按照國標GB,也可以美標ASTM等其他執行并驗收。
證書
查看更多>>
當您需要具有經過認證的ISO9001質量控制體系以及SGS認證的耐磨材料產品供應商時,翼凱機械是您合適的選擇。我們有強烈的質量控制意識以及完善的質量控制體系。 所有的產品合格后,方可入庫發貨。
客戶反饋
查看更多>>
翼凱機械始終與客戶保持良好的溝通,聽取他們對我們產品質量的反饋。我們希望通過客戶反饋來完善我們的產品 … 查看更多
华坪县 宁乡县 女性 疏勒县 祁连县 罗江县
罗田县 兴国县 休宁县 固阳县 平罗县 剑川县
宾阳县 上虞市 元朗区 浠水县 屏东县 榆社县
欢迎光临: 瓮安县| 沈丘县| 平罗县| 辛集市| 拜泉县| 扶余县| 盘锦市| 彩票| 文安县| 本溪市| 阿鲁科尔沁旗| 兴仁县| 荥经县| 和平县| 龙南县| 顺昌县| 贵南县| 惠来县| 广昌县| 深州市| 连平县| 武乡县| 堆龙德庆县| 车险| 西宁市| 新建县| 阳城县| 衡阳市| 霍山县| 台湾省| 剑阁县| 论坛| 铜梁县| 休宁县| 宜兰市| 清丰县| 河北省| 龙海市| 新竹市| 沛县| 拉孜县|